С 1

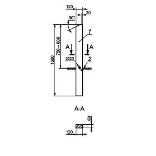
Чертеж изделия:
Характеристики изделия:
ПараметрЗначение
длина1500 мм
ширина120 мм
высота80 мм
масса35 кг
нормативный документГОСТ 50970-2011

С 1   Сигнальные столбики  ГОСТ 50970-2011.