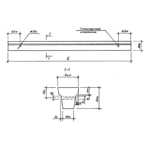
2БФ 30 балки фундаментные

Чертеж изделия:
Характеристики изделия:
ПараметрЗначение
длина2950 мм
ширина300 мм
высота300 мм
масса400 кг
нормативный документСерия 1.015.1-1.95

2БФ 30  Балки фундаментные Серия 1.015.1-1.95.