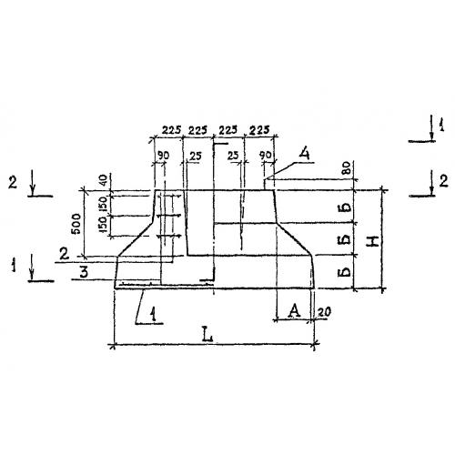
1Ф 15.8 фундаменты под колонну
Характеристики изделия:
| Параметр | Значение |
|---|---|
| длина | 1500 мм |
| ширина | 1500 мм |
| высота | 750 мм |
| масса | 2500 кг |
| нормативный документ | Серия 1.020-1/83 |
Цена:
Рассчитать стоимость1Ф 15.8 Фундаменты цельные под колонны Серия 1.020-1/83.
