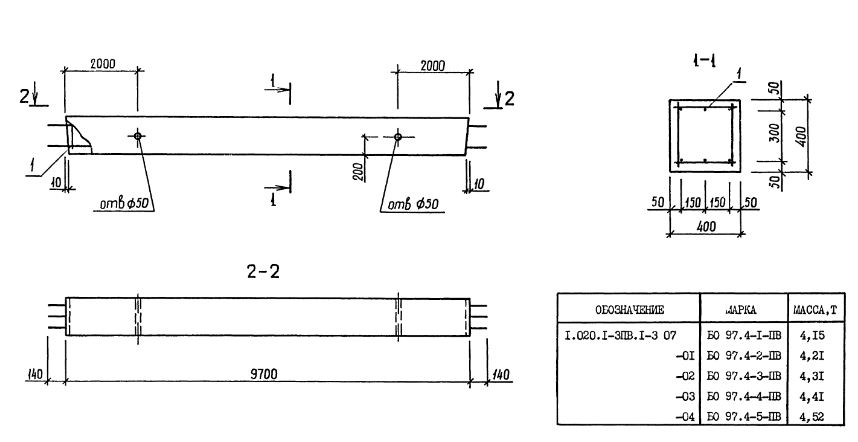
БО 97.4

Чертеж изделия:
Характеристики изделия:
ПараметрЗначение
длина9980 мм
ширина400 мм
высота400 мм
масса4520 кг
нормативный документСерия 1.020.1-3пв

БО 97.4  Балки обвязочные Серия 1.020.1-3пв.