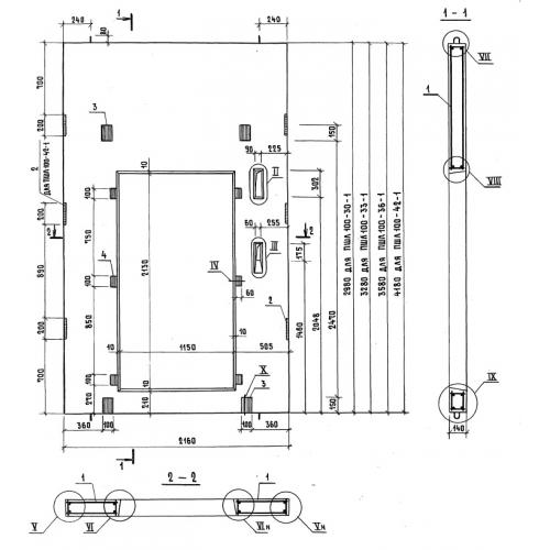
ПШЛ 100-30

Чертеж изделия:
Характеристики изделия:
ПараметрЗначение
длина2160 мм
ширина140 мм
высота2980 мм
вес1380 кг
серия1.089.1-2

ПШЛ 100-30 Панель шахты для пассажирского лифта по серии 1.089.1-2.