3 ОСП 32

Чертеж изделия:
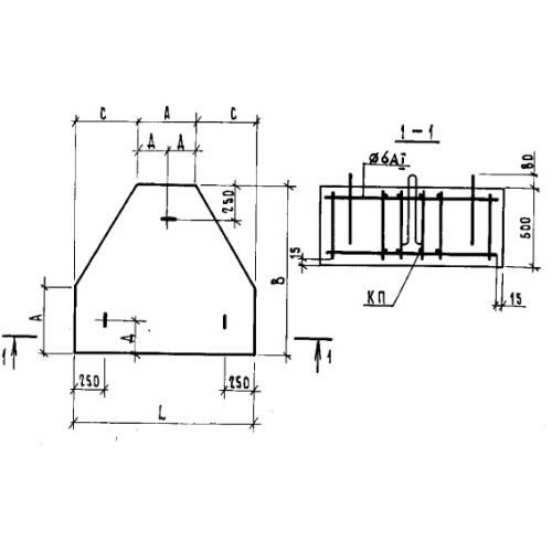
Характеристики изделия:
ПараметрЗначение
длина1500 мм
ширина1300 мм
высота600 мм
вес2330 кг
серия1.111.1-4

3ОСП 32 Оголовки свайные с платформенным сопряжением по серии 1.111.1-4.