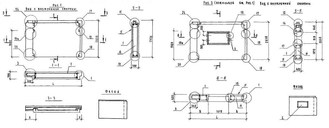
5ПСН 33.26.40-2п-2
Характеристики изделия:
| Параметр | Значение |
|---|---|
| длина | 3295 мм |
| ширина | 400 мм |
| высота | 2630 мм |
| масса | 3592 кг |
| нормативный документ | Серия 1.117.1-19 |
Цена:
Рассчитать стоимостьСерия 1.117.1-19 Панели наружные стеновые толщиной 400 мм.
5ПСН 33.26.40-2п-2 (рис.3)
1...9 - группа изделия, зависит от планировочной ситуации (7 групп);
ПСН - панель стеновая наружная;
Габариты изделия (записаны через точку с округлением): длина и высота - в дм, толщина - в см;
1 или 2 - несущая способность, зависящая от марки бетона (1 - М50, 2 - М75);
п-1 или п-2 - группа, характеризующая наличие проема (1 - глухая, 2 - с оконным проемом).