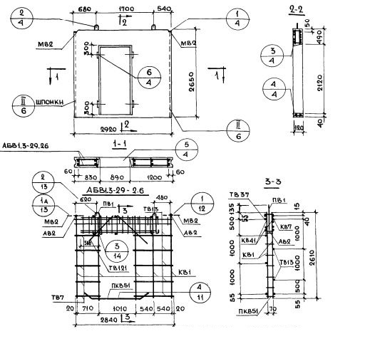
В1.3-29.27.12-2.6

Чертеж изделия:
Характеристики изделия:
ПараметрЗначение
длина2920 мм
ширина120 мм
высота2650 мм
масса1740 кг
нормативный документСерия 1.131-1

В1.3-29.27.12-2.6    Внутренние стеновые панели   (Серия 1.131-1).