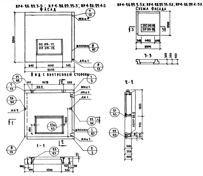
НР4-26.29.35-5л

Чертеж изделия:
Характеристики изделия:
ПараметрЗначение
Длина2595 мм
Ширина350 мм
Высота2900 мм
Масса2980 кг
Нормативный документСерия 1.132-1

НР4-26.29.35-5л   Наружная стеновая панель рядовая по Серии 1.132-1.