ОЛ 60.10.8

Чертеж изделия:
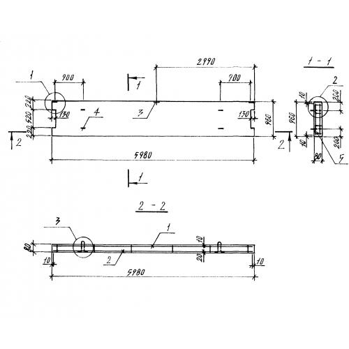
Характеристики изделия:
ПараметрЗначение
длина5980 мм
ширина960 мм
высота80 мм
масса1180 кг
нормативный документСерия 1.137.1 КЛ-3

ОЛ 60.10.8  Панели ограждения лоджий Серия 1.137.1 КЛ-3.