ЛПР 22-12 к

Чертеж изделия:
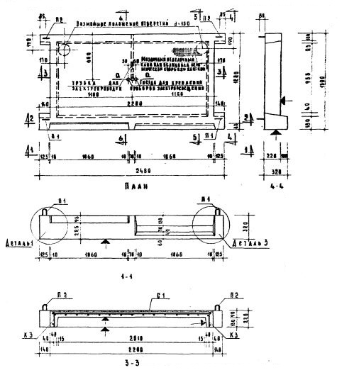
Характеристики изделия:
ПараметрЗначение
Длина2480 мм
Ширина1300 мм
Высота320 мм
Масса1010 кг
Нормативный документСерия 1.152-3

Стандарт изготовления изделия: Серия 1.152-3

Лестничные площадки ребристые ЛПР 22-12 к обязательный элемент любого высотного здания. В конструкцию входят марши или блок ступеней, площадки, крепежные детали, при этом марш и площадки могут быть выполнены в виде единой конструкции. В зависимости от типа здания и его конструкции могут быть использованы лестничные площадки ребристые ЛПР 22-12 к .

Это железобетонные изделия особой формы, которые отвечают требованиям по прочности, надежности и долговечности. За счет этих параметров достигается высокая безопасность эксплуатации готового сооружения. Могут быть применены ребристые площадки для панельных, блочных и кирпичных зданий. Лестничная платформа делит марш на две части, что позволяет облегчить подъем между этажами и повысить безопасность.

Маркировака

1. ЛПР- Лестничные площадки ребристые;

2. 22- длина лестничной площадки;

3. 18-ширина;

4. к-наличие консолей.