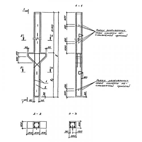
СД 100

Чертеж изделия:
Характеристики изделия:
ПараметрЗначение
длина10000 мм
ширина900 мм
высота300 мм
вес2400 кг
серия1.411.1-10.93

СД 100 Сваи двухконсольные по серии 1.411.1-10.93.