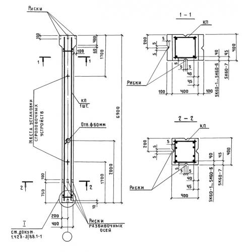
5К 60 колонны

Чертеж изделия:
Характеристики изделия:
ПараметрЗначение
длина6900 мм
ширина400 мм
высота400 мм
масса2750 кг
нормативный документСерия 1.423.1-3/88

5К 60 Колонны Серия 1.423.1-3/88.