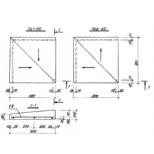
ПУ 50
Характеристики изделия:
| Параметр | Значение |
|---|---|
| длина | 500 мм |
| ширина | 500 мм |
| высота | 100 мм |
| вес | 40 кг |
| серия | 1.438-1 |
Цена:
Рассчитать стоимостьПУ 50 Плиты парапетные угловые по серии 1.438-1.
| Параметр | Значение |
|---|---|
| длина | 500 мм |
| ширина | 500 мм |
| высота | 100 мм |
| вес | 40 кг |
| серия | 1.438-1 |
ПУ 50 Плиты парапетные угловые по серии 1.438-1.
