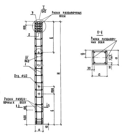
1К 69 колонны

Чертеж изделия:
Характеристики изделия:
ПараметрЗначение
длина6900 мм
ширина500 мм
высота500 мм
масса4310 кг
нормативный документСерия 1.823.1-2

1К 69  Колонны для крайнего ряда Серия 1.823.1-2.