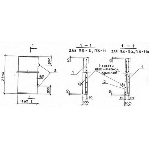
П 8

Чертеж изделия:
Характеристики изделия:
ПараметрЗначение
длина2990 мм
ширина1160 мм
высота100 мм
вес870 кг
серия3.006-2

П 8 Плиты перекрытия лотков по серии 3.006-2.