П 18 д

Чертеж изделия:
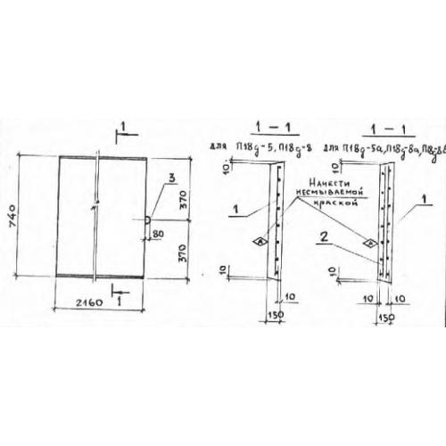
Характеристики изделия:
ПараметрЗначение
длина740 мм
ширина2160 мм
высота150 мм
масса600 кг
нормативный документСерия 3.006.1-2/82

П 18 д Плиты перекрытия лотков  доборные Серия 3.006.1-2/82.