П 26 д
Характеристики изделия:
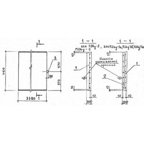
| Параметр | Значение |
|---|---|
| длина | 740 мм |
| ширина | 3380 мм |
| высота | 200 мм |
| масса | 1250 кг |
| нормативный документ | Серия 3.006.1-2/82 |
Цена:
Рассчитать стоимостьП 26 д Плиты перекрытия лотков доборные Серия 3.006.1-2/82.
| Параметр | Значение |
|---|---|
| длина | 740 мм |
| ширина | 3380 мм |
| высота | 200 мм |
| масса | 1250 кг |
| нормативный документ | Серия 3.006.1-2/82 |
П 26 д Плиты перекрытия лотков доборные Серия 3.006.1-2/82.
