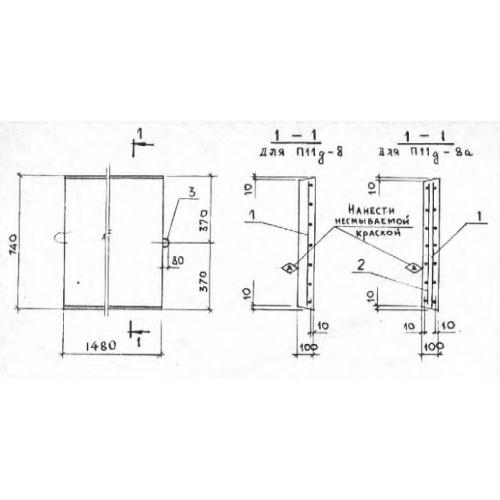
П 11 д плиты лотков

Чертеж изделия:
Характеристики изделия:
ПараметрЗначение
длина740 мм
ширина1480 мм
высота100 мм
масса270 кг
нормативный документСерия 3.006.1-2/87

П 11д Плиты перекрытия лотков доборные Серия 3.006.1-2/87.