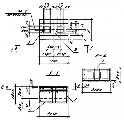
Фм 5

Чертеж изделия:
Характеристики изделия:
ПараметрЗначение
длина2100 мм
ширина1500 мм
высота1200 мм
масса6625 кг
нормативный документСерия 3.016.1-9

Фм 5  Фундаменты монолитные Серия 3.016.1-9.