С 5 Б
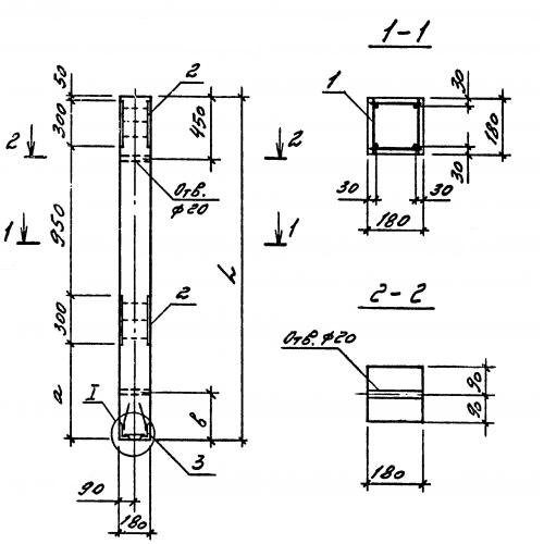
Характеристики изделия:
| Параметр | Значение |
|---|---|
| длина | 2200 мм |
| ширина | 180 мм |
| высота | 180 мм |
| масса | 180 кг |
| нормативный документ | Серия 3.016.1-9 |
Цена:
Рассчитать стоимостьС 5 Б Стойки кабельные Серия 3.016.1-9.
| Параметр | Значение |
|---|---|
| длина | 2200 мм |
| ширина | 180 мм |
| высота | 180 мм |
| масса | 180 кг |
| нормативный документ | Серия 3.016.1-9 |
С 5 Б Стойки кабельные Серия 3.016.1-9.
