ПЛ-2 ступени

Чертеж изделия:
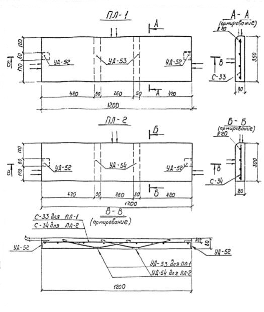
Характеристики изделия:
ПараметрЗначение
длина1200 мм
ширина300 мм
высота80 мм
масса72 кг
нормативный документСерия 3.407-102.

ПЛ-2  Ступени Серия 3.407-102.