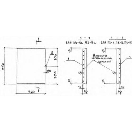
П 3 плита

Чертеж изделия:
Характеристики изделия:
ПараметрЗначение
длина740 мм
ширина570 мм
высота50 мм
масса50 кг
нормативный документСерия 3.900.1-12

П 3  Плиты перекрытия лотков по Серии 3.900.1-12.