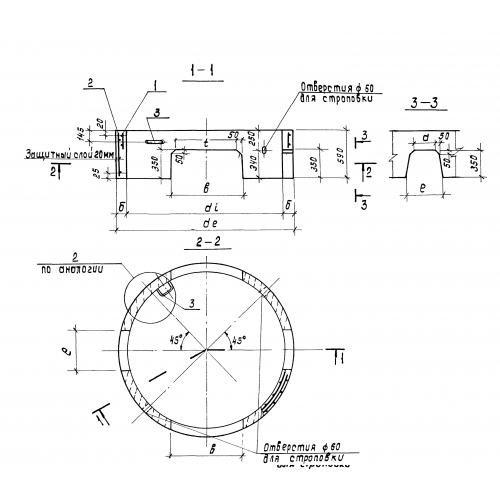
КС 20.6 стеновое кольцо

Чертеж изделия:
Характеристики изделия:
ПараметрЗначение
длина2200 мм
ширина2200 мм
высота590 мм
масса750 кг
нормативный документСерия 3.900.1-14

КС 20.6  Кольца стеновые по Серии 3.900.1-14.