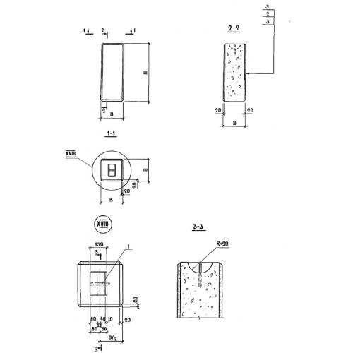
УБ 6.54

Чертеж изделия:
Характеристики изделия:
ПараметрЗначение
длина540 мм
ширина540 мм
высота580 мм
вес190 кг
Шифр1481

УБ 6.54 Угловые блоки по Шифру 1481.