СБН 12.25.2.5
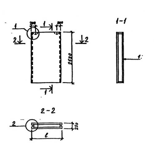
Характеристики изделия:
| Параметр | Значение |
|---|---|
| длина | 1180 мм |
| ширина | 250 мм |
| высота | 2520 мм |
| вес | 590 кг |
| серия | ТП 213-2-183 |
Цена:
Рассчитать стоимостьСБН 12.25.2.5 Стеновые блоки наружные по проекту ТП 213-2-183.
| Параметр | Значение |
|---|---|
| длина | 1180 мм |
| ширина | 250 мм |
| высота | 2520 мм |
| вес | 590 кг |
| серия | ТП 213-2-183 |
СБН 12.25.2.5 Стеновые блоки наружные по проекту ТП 213-2-183.
