СБН 9.25.3.0

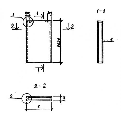
Чертеж изделия:
Характеристики изделия:
ПараметрЗначение
длина880 мм
ширина300 мм
высота2520 мм
вес530 кг
серияТП 213-2-183

СБН 9.25.3.0 Стеновые блоки наружные по проекту ТП 213-2-183.